INFO@MEHPRIVOD.RU
ООО Мехтехника
Тел.: 8 (800) 505-36-88

Редукторы цилиндрические РМ-250, РМ-350, PM-400, PM-500, РМ-650, РМ-750, РМ-850, РМ-1000

Редукторы цилиндрические РМ-250, РМ-350, PM-400, PM-500, РМ-650, РМ-750, РМ-850, РМ-1000

Редукторы цилиндрические двухступенчатые горизонтальные общемашиностроительного применения типов РМ-250; РМ-350; PM-400; РМ-500; Р650; РМ-750; РМ-850; PM-1000 предназначены для увеличения крутящего момента и уменьшения частоты вращения. Оборудование может быть успешно использовано даже при повышенной запыленности воздуха, однако общие условия эксплуатации должны быть неагрессивными. От выбранного типа редуктора будет зависеть специфика режима работы, передаточное число и показатели номинального крутящего момента. Различие, приходящееся на типы габаритных и присоединительных размеров, соответственно влияет на массу редуктора. Другими словами, если модификация РМ-250 имеет вес в 85кг, то РМ-1000 будет весить уже 2122 кг.

Цена: от 69 560 руб.

Скачать прайс: xls zip

Условия применения редукторов РМ:

  • нагрузка постоянная и переменная, одного направления и реверсивная;
  • работа длительная или с периодическими остановками, вращение валов в любую сторону;
  • частота вращения входного вала редукторов РМ не должна превышать 1500 об/мин.;
  • температура внешней среды от минус 40°C до плюс 50°С;
  • повышенная запыленность, неагрессивная среда;
  • редуктор РМ может иметь различное климатическое исполнение: У, Т ( для категории размещения 1...4 ) по ГОСТ 15150-69.

Общее описание:

Габаритные и присоединительные размеры РМ-250, РМ-350, РМ-400, РМ-500

РИС 1. Габаритные и присоединительные размеры.
РМ-250, РМ-350, РМ-400, РМ-500

Тип aw aw2 L L1 L2 l l1 l2 l3 l4 l5
РМ-250 250 150 540 200 238,5 320 235 45 50 189 249
РМ-350 350 200 710 260 268,5 415 310 5P 60 238 280
PM-400 400 250 816 270 325,5 440 370 80 75 288 367
PM-500 500 300 986 330 330 620 480 110 87 338 420

ТАБЛ 1. Габаритные и присоединительные размеры.
РМ-250, РМ-350, РМ-400, РМ-500

Тип B B1 B2 H H1 h d Масса, кг
РМ-250 230 190 230 312 160 22 17 85
РМ-350 270 250 290 400 200 23 17 145
PM-400 300 270 310 490 250 25 17 210
PM-500 350 310 350 592 300 25 17 390

Габаритные и присоединительные размеры РМ-650, РМ-750, РМ-850, РМ-1000

РИС2. Габаритные и присоединительные размеры.
РМ-650, РМ-750, РМ-850, РМ-1000

Тип aw aw2 L l1 L2 l l1 l2 l3 l4 l5
РМ-650 650 400 1278 430 430 830 490 215 155 445 460
РМ-750 750 450 1448 450 475 1025 620 275 230 491 525
РМ-850 850 500 1632 510 550 1100 610 300 205 546 530
РМ-1000 1000 600 1896 550 695,5 1350 870 350 250 639 645

ТАБЛ 2. Габаритные и присоединительные размеры.
РМ-650, РМ-750, РМ-850, РМ-1000

Тип B B1 B2 B3 H H1 H2 h d Масса, кг
РМ-650 470 410 470 318 697 320 95 35 25 878
РМ-750 510 450 510 356 743 320 130 35 25 1030
РМ-850 580 520 580 408 875 400 105 35 32 1230
РМ-1000 660 590 660 472 965 400 200 40 32 2122

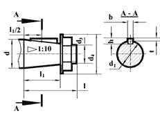
Размеры концов входных валов

РИС3. Размеры концов входных валов

Тип d d1 d3 d4(не более) l l1 b h t
РМ-250 30 27,10 М20x1,5 50 80 58 5 5 3
РМ-350 40 35,90 М24x2 63 110 82 10 8 5
РМ-400 40 35,9 М24x2 63 110 82 12 8 5
PM-500 50 45,9 М36x3 70 110 82 16 10 6
РМ-650 60 54,75 М42xЗ 94 140 105 16 10 6
РМ-750 60 54,75 М42xЗ 94 140 105 16 10 6
РМ-850 90 83,50 М64x4 130 170 130 22 14 9
РМ-1000 90 83,50 М64x4 130 170 130 22 14 9

ТАБЛ 3. Размеры концов входных валов

Размеры концов выходных валов РМ250 – РМ1000

РИС 4. Размеры концов выходных валов

Тип d m6 d1 b l t
РМ-250 55 65 16 82 60
РМ-350 55 65 16 82 60
РМ-400 80 90 22 123 88
РМ-500 80 90 22 123 88
95 115 25 130 104
PM-650 110 130 28 165 120
125 145 32 165 136
РМ-750 110 130 28 165 120
РМ-850 130 150 32 200 141
РМ-1000 150 170 36 200 162

ТАБЛ 4. Размеры концов выходных валов

Варианты сборки редукторов РМ250 – РМ1000

РИС 5. Варианты сборки редукторов

Технические характеристики редукторов

РМ 250, РМ 350 РМ 400, РМ 500 PM 650, PM 750 РМ 850, PM 1000

Пример условного обозначения при заказе

Редуктор РМ-750-40-12-У2, где:

  • РМ – тип редуктора;
  • 750 – общее межосевое расстояние;
  • 40 – номинальное передаточное число;
  • 12 – вариант сборки;
  • У – вариант исполнения;
  • 2 – категория размещения.