Электродвигатели Siemens типа 1MG7

Электродвигатели Siemens серии 1MG7 взрывозащищенной конструкции (ЕЕxdellCT4) (схема электродвигателя представлена ниже), производятся мощностью от 18,5 кВт до 200 кВт и габаритами от 225 до 315. Электродвигатели Siemens 1MG7 могут быть монтированы в местах, которые характеризуются наличием опасных условий. Эта возможность достигается за счет взрывозащищенной модификации электродвигателя и его высокого качества сборки, которое подтверждается на каждом этапе производства внедрением специальной проверяющей системы. Применение искрогасителей обеспечивает беспроблемную эксплуатацию электродвигателей в условиях, в которых бы приборы других производителей вышли из строя и потребовали бы технического обслуживания на порядок быстрее. Широкий диапазон мощностей гарантировано удовлетворит требования любого покупателя/заказчика, в какой бы сфере промышленности не планировалось использование электродвигателя Siemens 1MG7.
Цена: по запросу заказчика
Общее описание:
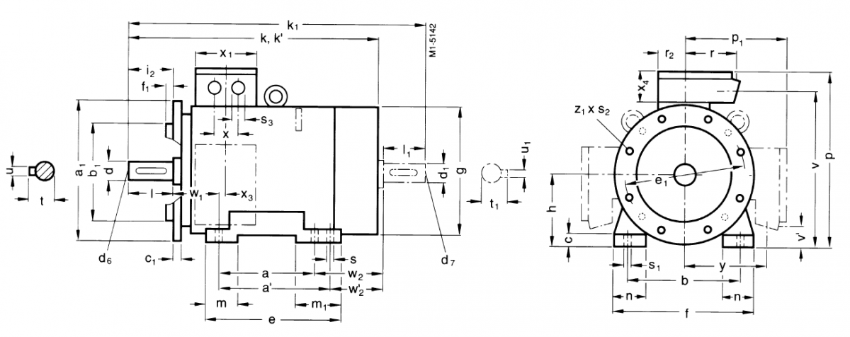
РИС 1. Габаритные и присоединительные размеры (лапы, 225S-315L)
|
Габарит |
P |
B a |
B? a? |
A b |
HA c |
BB e |
AB f |
AC g1) |
H h |
AQ j |
L k |
L k2) |
LC k31) |
LM k2 |
LM k22) |
BA m |
BA m1 |
AA n |
HD p |
AD p1 |
AG r |
AS r2 |
|
|---|---|---|---|---|---|---|---|---|---|---|---|---|---|---|---|---|---|---|---|---|---|---|---|
|
225S …220 |
4 и 8 |
286* |
311 |
356 |
34 |
361 |
436 |
470 |
225 |
425 |
835 |
- |
954 |
935 |
- |
85 |
110 |
80 |
600 |
375 |
155 |
100 |
|
|
225M …223 |
2 4 или 8 |
286 |
311* |
356 |
34 |
361 |
436 |
470 |
225 |
425 |
805 835 |
855 - |
924 954 |
905 935 |
955 - |
85 |
110 |
80 |
600 |
375 |
155 |
100 |
|
|
250M …253 |
2 4 или 8 |
349 |
- |
406 |
42 |
409 |
506 |
520 |
250 |
470 |
930 |
1010 - |
1050 1080 |
1030 |
1110 - |
100 |
100 |
100 |
715 |
465 |
200 |
120 |
|
|
280S …280 |
2 4 или 8 |
368
|
419 |
457 |
42 |
479 |
557 |
575 |
280 |
525 |
1005 |
1080 - |
1155 1155 |
1115 |
1230 |
100 |
151 |
100 |
770 |
490 |
200 |
120 |
|
|
280M …283 |
2 4 или 8 |
368 |
419 |
457 |
42 |
479 |
557 |
575 |
280 |
525 |
1005 |
1080 - |
1260 1290 |
1115 |
1230 |
100 |
151 |
100 |
770 |
490 |
200 |
120 |
|
|
315S …310 |
2 4 или 8 |
406 |
457 |
508 |
52 |
527 |
628 |
645 |
315 |
590 |
1110 1140 |
1185 - |
1260 1290 |
1220 1250 |
1295 - |
125 |
171 |
120 |
870 |
555 |
250 |
135 |
|
|
315M …313 |
2 4 или 8 |
406 |
457 |
508 |
52 |
527 |
628 |
645 |
315 |
590 |
1110 1140 |
1185 - |
1260 1290 |
1220 1250 |
1295 - |
125 |
171 |
120 |
870 |
555 |
250 |
135 |
|
|
315L |
…316 …317 …318 |
2 |
508 |
- |
508 |
52 |
527 |
628 |
645 |
315 |
590 |
1250 1280 1280 |
1325 - - |
1400 1430 1430 |
1360 1390 1390 |
1435 - - |
120 |
120 |
120 |
870 |
555 |
250 |
135 |
|
4 или 8 |
|||||||||||||||||||||||
|
6 и 8 |
|||||||||||||||||||||||
ТАБЛИЦА 1.
|
Габарит |
K s |
K S1 |
O S3 |
HB V |
HB? V? |
C W1 |
CA W12 |
CA W2 |
BE X |
LL X1 |
BC X3 |
HK X4 |
AG Y |
D d |
DB d6 |
E I |
GA t |
F u |
DA d1 |
DC d7 |
EA I1 |
GC t1 |
FA u1 |
|---|---|---|---|---|---|---|---|---|---|---|---|---|---|---|---|---|---|---|---|---|---|---|---|
|
225S |
19 |
25 |
M50*1.5 |
540 |
70 |
149 |
269 |
- |
85 |
197 |
25 |
148 |
320 |
60 |
M20 |
140 |
64 |
18 |
55 |
M20 |
110 |
59 |
16 |
|
225M |
19 |
25 |
M50*1.5 |
540 |
70 |
149 |
- |
244 |
85 |
197 |
25 |
148 |
320
|
55 60 |
M20 |
110 140 |
59 64 |
16 18 |
48 55 |
M16 M20 |
110 |
51.5 59 |
14 16 |
|
250M |
24 |
30 |
M63*1.5 |
620 |
50 |
168 |
283 |
- |
95 |
234 |
39 |
193 |
385
|
60 65 |
M20 |
140 |
64 69 |
118 |
55 60 |
M20 |
110 140 |
59 64 |
16 18 |
|
280S |
24 |
30 |
M63*1.5 |
675 |
80 |
190 |
317 |
- |
95 |
234 |
30 |
193 |
410
|
65 75 |
M20 |
140 |
69 79.5 |
18 20 |
60 65 |
M20 |
140 |
64 69 |
18 |
|
280M |
24 |
30 |
M63*1.5 |
675 |
80 |
190 |
- |
266 |
95 |
234 |
30 |
193 |
410 |
65 75 |
M20 |
140 |
69 79.5 |
18 20 |
60 65 |
M20 |
140 |
64 69 |
18 |
|
315S |
28 |
35 |
M63*1.5 |
750 |
65 |
216 |
358 |
- |
90 |
266 |
32 |
225 |
475 |
65 80 |
M20 |
140 170 |
69 85 |
18 22 |
60 65 |
M20 |
140 |
64 74.5 |
18 20 |
|
315M |
28 |
35 |
M63*1.5 |
750 |
65 |
216 |
- |
307 |
90 |
266 |
32 |
225 |
475 |
65 80 |
M20 |
140 170 |
69 85 |
18 22 |
60 70 |
M20 |
140 |
64 74.5 |
18 20 |
|
315L |
28 |
35 |
M63*1.5 |
750 |
65 |
216 |
396 |
- |
90 |
266 |
32 |
225 |
475 |
65 80 80 |
M20 |
140 170 170 |
69 85 85 |
18 22 22 |
60 70 70 |
M20 |
140 |
64 74.5 74.5 |
18 20 20 |
ТАБЛИЦА 2.

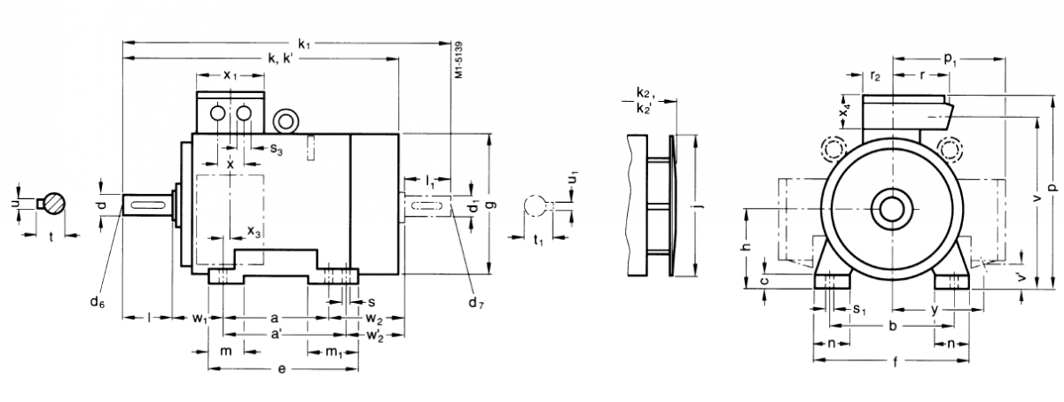
РИС 2. Габаритные и присоединительные размеры (фланец. 225S-315M)
|
Габарит |
Полюса |
Тип |
P a1 |
N b1 |
LA c1 |
M e1 |
T f1 |
LE i2 |
S s2 |
Z z1 |
AC g1) |
AQ J |
L k |
L k2) |
LC k13) |
LM k2 |
LM k22) |
HH o1 |
AD P |
AH p3 |
|---|---|---|---|---|---|---|---|---|---|---|---|---|---|---|---|---|---|---|---|---|
|
225S…220 |
4 и 8 |
А450 |
450 |
350 |
16 |
400 |
5 |
140 |
17.5 |
8 |
470 |
425 |
835 |
- |
954 |
935 |
- |
174 |
375 |
580 |
|
225M…223 |
2 4 или 8 |
450 |
350 |
16 |
400 |
5 |
110 |
17.5 |
8 |
470 |
425 |
805 835 |
855 - |
924 954 |
905 935 |
955 |
174 |
375 |
580 |
|
|
250M…253 |
2 4 или 8 |
А550 |
550 |
450 |
18 |
500 |
5 |
140 |
17.5 |
8 |
520 |
470 |
930 |
1010 - |
1050 1080 |
1030 |
1110 - |
207 |
480 |
645 |
|
280S…280 |
2 4 или 8 |
А550 |
550 |
450 |
18 |
500 |
5 |
140 |
17.5 |
8 |
575 |
525 |
1005 |
1080 - |
1155 |
1115 |
1230 - |
220 |
490 |
700 |
|
280M…283 |
2 4 или 8 |
550 |
450 |
18 |
500 |
5 |
140 |
17.5 |
8 |
575 |
525 |
1005 |
1080 - |
1155 |
1115 |
1230 - |
220 |
490 |
700 |
|
|
315S…310 |
2 4 или 8 |
660 |
660 |
550 |
22 |
600 |
6 |
140 170 |
22 |
8 |
645 |
590 |
1110 1140 |
1185 - |
1260 1290 |
1220 1250 |
1295 - |
248 |
555 |
805 |
|
315M…313 |
2 4 или 8 |
660 |
550 |
22 |
600 |
6 |
140 170 |
22 |
8 |
645 |
590 |
1110 1140 |
1185 - |
1260 1290 |
1220 1250 |
1295 - |
248 |
555 |
805 |
ТАБЛИЦА 3.
|
Габарит |
AG R |
AS r2 |
O S3 |
BE x |
LL x1 |
HK x4 |
AG y |
D d |
DB d6 |
E I |
GA T |
F u |
DA d1 |
DC d7 |
EA I1 |
GC t1 |
FA U1 |
|---|---|---|---|---|---|---|---|---|---|---|---|---|---|---|---|---|---|
|
225S |
155 |
100 |
M50*1.5 |
85 |
197 |
148 |
315 |
60 |
M20 |
140 |
64 |
18 |
55 |
M20 |
110 |
59 |
16 |
|
225M |
155 |
100 |
M50*1.5 |
85 |
197 |
148 |
315 |
55 |
M20 60 |
110 140 |
59 64 |
16 18 |
48 55 |
M16 M20 |
110 |
51.5 59 |
14 16 |
|
250M |
200 |
120 |
M63*1.5 |
95 |
234 |
193 |
385 |
60 |
M20 65 |
140 |
64 69 |
18 |
55 60 |
M20 |
110 140 |
59 64 |
16 18 |
|
280S |
200 |
120 |
M63*1.5 |
95 |
234 |
193 |
395 |
65 |
M20 75 |
140 |
69 |
18 79.5 |
60 20 |
M20 65 |
140 |
64 |
18 69 |
|
280M |
200 |
120 |
M63*1.5 |
95 |
234 |
193 |
395 |
65 |
M20 75 |
140 |
69 |
18 79.5 |
60 20 |
M20 65 |
140 |
64 |
18 69 |
|
315S |
250 |
135 |
M63*1.5 |
90 |
266 |
225 |
435 80 |
65 |
M20 170 |
140 85 |
69 22 |
18 70 |
60 |
M20 |
140 74.5 |
64 20 |
18 |
|
315M |
250 |
135 |
M63*1.5 |
90 |
266 |
225 |
435 |
65 80 |
M20 |
140 170 |
69 85 |
18 22 |
60 70 |
M20 |
140 |
64 74.5 |
18 20 |
ТАБЛИЦА 4.

РИС 3. Габаритные и присоединительные размеры (фланец. 225S-315M)
|
Габарит |
Полюса |
Тип |
P a1 |
N b1 |
LA c1 |
M e1 |
T f1 |
LE i2 |
S S2 |
Z z1 |
B a |
B a |
A b |
HA c |
BB e |
AB f |
AC g1) |
H h |
L k |
L k2) |
LC k13) |
BA M |
BA m1 |
|---|---|---|---|---|---|---|---|---|---|---|---|---|---|---|---|---|---|---|---|---|---|---|---|
|
225S…220 |
4 и 8 |
А450 |
450 |
350 |
16 |
400 |
5 |
140 |
17.5 |
8 |
286* |
311 |
356 |
34 |
361 |
436 |
470 |
225 |
835 |
- |
954 |
85 |
110 |
|
225M…223 |
2 4 или 8 |
450 |
350 |
16 |
400 |
5 |
110 140 |
17.5 |
8 |
286 |
311* |
356 |
34 |
361 |
436 |
470 |
225 |
805 835 |
855 - |
924 954 |
85 |
110 |
|
|
250M…253 |
2 4 или 8 |
A550 |
550 |
450 |
18 |
500 |
5 |
140 |
17.5 |
8 |
349 |
- |
406 |
42 |
409 |
506 |
520 |
250 |
930 |
1010 - |
1050 1080 |
100 |
100 |
|
280S…280 |
2 4 или 8 |
A550 |
550 |
450 |
18 |
500 |
5 |
140 |
17.5 |
8 |
368* |
419 |
457 |
42 |
479 |
557 |
575 |
280 |
1005 |
1080 - |
1155 |
100 |
151 |
|
280M…283 |
2 4 или 8 |
550 |
450 |
18 |
500 |
5 |
140 |
17.5 |
8 |
368 |
419* |
457 |
42 |
479 |
557 |
575 |
280 |
1005 |
1080 - |
1155 |
100 |
151 |
|
|
315S…310 |
2 4 или 8 |
A660 |
660 |
550 |
22 |
600 |
6 |
140 170 |
22 |
8 |
406* |
457 |
508 |
52 |
527 |
645 |
645 |
315 |
1110 1140 |
1185 - |
1260 1290 |
125 |
171 |
|
315M…313 |
2 4 или 8 |
660 |
550 |
22 |
600 |
6 |
140 170 |
22 |
8 |
406 |
457* |
508 |
52 |
527 |
645 |
645 |
315 |
1110 1140 |
1185 - |
1260 1290 |
125 |
171 |
ТАБЛИЦА 5.
|
Габарит |
AA n |
HD p |
AD p1 |
AG r |
AS r2 |
K s |
K s1 |
O s3 |
HB v |
HB v |
C w1 |
CA w2 |
BE X |
LL x1 |
BC x3 |
HK x4 |
AG y |
D d |
DB d6 |
E I |
GA T |
F u |
DA d1 |
DC d1 |
EA I1 |
GC t1 |
FA u1 |
|---|---|---|---|---|---|---|---|---|---|---|---|---|---|---|---|---|---|---|---|---|---|---|---|---|---|---|---|
|
225S |
80 |
600 |
375 |
155 |
100 |
19 |
25 |
M50*1.5 |
540 |
70 |
149 |
269 |
85 |
197 |
25 |
104 |
320 |
60 |
M20 |
140 |
64 |
18 |
55 |
55 |
110 |
59 |
16 |
|
225M |
80 |
600 |
375 |
155 |
100 |
19 |
25 |
M50*1.5 |
540 |
70 |
149 |
- |
85 |
197 |
25 |
104 |
320 |
55 60 |
M20 |
110 140 |
59 64 |
16 18 |
48 55 |
48 55 |
110 |
51.5 59 |
14 16 |
|
250M |
100 |
715 |
465 |
200 |
120 |
24 |
30 |
M50*1.5 |
620 |
50 |
168 |
283 |
95 |
234 |
39 |
155 |
385 |
60 55 |
M20 |
140 |
64 69 |
18 |
55 60 |
55 60 |
110 140 |
59 64 |
16 18 |
|
280S |
100 |
770 |
490 |
200 |
120 |
24 |
30 |
M50*1.5 |
675 |
80 |
190 |
317 |
95 |
234 |
30 |
155 |
410 |
65 75 |
M20 |
140 |
69 79.5 |
18 20 |
60 65 |
60 65 |
140 |
64 69 |
18 |
|
280M |
100 |
770 |
490 |
200 |
120 |
24 |
30 |
M50*1.5 |
675 |
80 |
190 |
- |
95 |
234 |
30 |
155 |
410 |
65 75 |
M20 |
140 |
69 79.5 |
18 20 |
60 65 |
60 65 |
140 |
64 69 |
18 |
|
315S |
120 |
870 |
555 |
250 |
135 |
28 |
35 |
M50*1.5 |
750 |
65 |
216 |
358 |
90 |
266 |
32 |
180 |
475 |
65 80 |
M20 |
140 170 |
69 85 |
18 22 |
60 70 |
60 70 |
140 |
64 74.5 |
18 20 |
|
315M |
120 |
870 |
555 |
250 |
135 |
28 |
35 |
M50*1.5 |
750 |
65 |
216 |
- |
90 |
266 |
32 |
180 |
475 80 |
65 |
M20 170 |
140 85 |
69 22 |
18 70 |
60 |
60 |
140 74.5 |
64 20 |
18 |
ТАБЛИЦА 6.